Sheath Bonding Schemes for High Voltage Cable Systems Overview
Solidly Bonded Scheme
Cables with solidly bonded sheath connections are common in distribution circuits, but rare in transmission systems. The schematic below shows a typical arrangement, where the sheaths are connected to ground wherever they are accessible. This scheme eliminates standing voltage at the end of each sheath section . The significant characteristic of this scheme is that current flows in each of the cable sheaths whenever the cables carry current. The sheath current is proportional to the cable load and requires a 20% to 30% reduction in cable load rating compared to schemes that eliminate sheath current.
Single Point Bonded System
Originally, this sheath connection scheme was confined to relatively short cable circuits containing no joints, or with a single joint in each phase. Improvements in the quality of bonding insulation in the 1970s made it possible to use this scheme for longer cable circuits, including those with many joints. A typical arrangement is shown in the schematic below. This shows that the sheaths of the three cable phases are connected to ground at one point in each section. A ground continuity conductor is usually required to provide a closely coupled return path for zero sequence fault current. At every point remote from the ground connection an induced voltage appears on the sheath when current flows in the cable conductor. This voltage is proportional to the cable load and the distance from the ground connection. At the remote end of each section, surge arresters are used to protect against excessive voltage during transient events. These are known as sheath voltage limiters (SVL’s). The bonding scheme allows cable ratings to be based on the actual conductor current, since there is no sheath current. However, the scheme may result in shorter section lengths than other bonding schemes due to the magnitude of induced voltage during single phase ground faults.
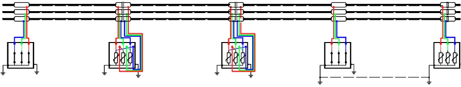
Cross Bonded System
Like single point bonding schemes, sheath cross bonding allows cable load ratings to be based solely on conductor current, however, the scheme produces lower induced sheath voltages during single phase ground faults. This permits longer section lengths to be used. Since the cable sheaths provide the ground return path, there is no requirement for a separate ground continuity conductor and this can be eliminated.
In order to be effective, the circuit length must be divided into groups that allow the sheaths of each of the phase cables to be joined to each other in a consistent pattern. These groups are known as tri-sections and ideally they contain an equal length of each of the phase cable sheaths. The arrangement requires each tri-section to have special joints containing sectionalizing insulators that interrupt the cable sheath continuity. Insulated bonding leads are used at each of these joint casings to interconnect the sheaths in the specified sequence. This results in each tri-section having three separate sheath circuits, with each which of these sheath circuits containing an equal length from each phase cable. When the phase currents are balanced, the phase cancellation effect results in relatively low levels of induced sheath voltage and very little circulating current.
Grounding link boxes are used at each end of every tri-section to bond the three cable sheaths to each other and to provide a low resistance ground connection. Cross bonding boxes are used at the two intermediate joint locations, where the cross connections are made within the link boxes. These link boxes incorporate SVL’s to protect against excessive transient voltages during system faults.
For cables installed in non-symmetrical configurations, such as a flat formation, the induced voltages on the cable sheaths in each section may not be precisely equal, but these imbalances are typically not significant. The cable spacing may vary more significantly along the route if different installation methods are used. This could include the presence of one or more HDD sections. In these cases, it is necessary to use advanced analytical methods to evaluate the effect of the cable spacing differences on the cross bonding scheme.
Hybrid Bonding System
Modern cable system layouts are often influenced by restrictions on land use and the position of existing underground structures. These factors can interfere with the uniform cable separations that were typical in earlier installations, since the use of directional drilling or other specialized installation techniques alters the spacing between individual cables. This affects the impedance-to-length relationship that was the basis for early sheath bonding schemes. Complex analysis techniques are usually required for modern bonding scheme designs, while positioning cable joints at the optimum locations may not always be practical and may require compromises. The resulting impact on the application of traditional sheath bonding schemes can be considerable. To ensure that the transmission circuit has effective sheath bonding, hybrid bonding arrangements may be considered. The electrical characteristics of modern sheath bonding components are very suitable for such applications and sophisticated schemes can be designed to meet the challenges of individual situations once the cable system parameters have been firmly established. A typical schematic showing a combination of cross bonding and single point bonding is shown below:
Sheath Voltage Limiter Selection
Many early cable circuits installed with sheath-bonding schemes were damaged as a result of electrical breakdown at the sheath interrupters in the joint casings. These experiences showed that large transient voltages could develop at the sheath interruptions during switching, lightning strikes and line faults. From an insulation perspective, the sheath-bonding scheme is particularly complex whenever system transients are present. Typically, these transients have an extremely short duration but exhibit an intensity that exploits any weaknesses that may be present in the sheath circuit insulation system.
In general, a breakdown in longitudinal isolation at a sectionalizing insulator following a flashover necessitates complete replacement of the cable joint. This requires the cable circuit to be removed from service for an extended period while a new joint is being installed. It is therefore important that the integrity of every part of the sheath isolation be reliable under all operating conditions. Any loss of insulation integrity will impact on the availability of the cable circuit. Advances in the design of the sheath bonding insulators have improved the transient performance of these components, but this has been partly offset by system changes that have brought higher fault current levels and fast-rise-time transients.
Since the 1970s, surge arresters have been used in new sheath bonding schemes to protect the sheath insulation system during electrical transients. These arresters are intended to conduct to ground any transients that exceed a preset voltage. These arresters, known as sheath voltage limiters (SVLs), are typically line discharge class 1 arresters per IEC 60099 – 4. However, the service conditions they are exposed to differ substantially from those in a typical line surge arrester application.
As the arresters are electrically bonded to the cable sheath, the continuous voltage experienced is a small fraction of the continuous voltage for which the arresters have been designed. It is for protection against excessive transient voltages that the arresters are present. In general, the system transients are characterized by high frequency components and the arresters should be selected to conduct only those components, while ensuring that no conduction occurs at power frequency. This requires a detailed analysis of the cable system to determine the maximum power frequency sheath voltage that could occur. That value and the power system fault clearing time can be used to select the optimum arrester for the application.od of installation.
Selection of an appropriate arrester to be used as an SVL should include verification that:
- The temporary operating voltage (TOV) of the arrester exceeds the maximum power frequency sheath voltage that could occur during worst case faults.
- There is a satisfactory safety margin between the arrester residual voltage and the rated withstand capability of all of the sheath bonding system components.
- The arrester is suitable for long-term use under all environmental conditions anticipated for the cable location and method of installation.
Additional Sheath Bonding Link Boxes
Stainless Steel Submersible Link Boxes | Weatherproof Link Boxes








